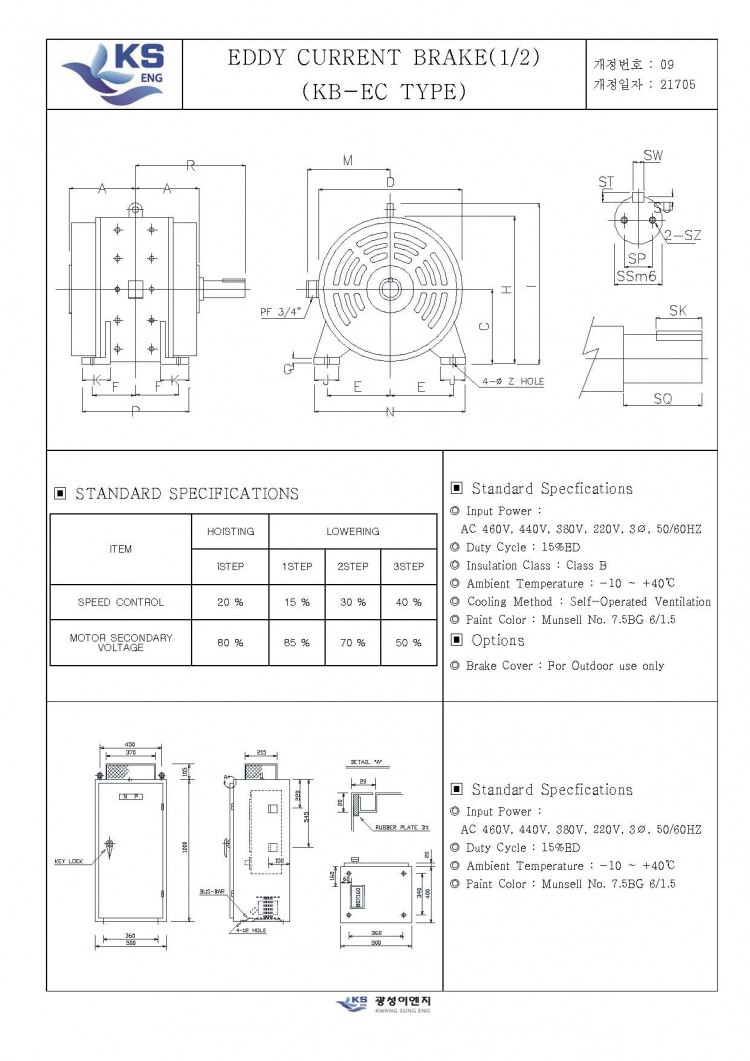
EDDY CURRENT BRAKE 페이지 정보 작성자 관리자 작성일17-05-30 11:18 댓글0건 관련링크 목록 본문 권상 MOTOR SPEED CONTROL용 댓글목록 등록된 댓글이 없습니다. 목록